WXT-200SF-UD
페이지 정보

본문
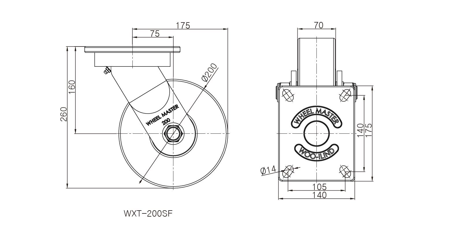
제원 (Specification)
* 사용온도(Temperature range) : -10 ~ 90℃
|
|
| |
|
|
|
| ||
허용하중 1EA | 추천하중 | 바퀴외경 | 바퀴폭 | 높이 | 센터거리 | 상판사이즈 | 홀간격 | 홀사이즈 | 자중 |
2,000Kg | 6,000Kg | Ø200 | 70 | 260 | 75 | 175x140 | 140x105 | Ø14 | 11.6kg |
* 특징 : 저소음, 저마찰 고하중 캐스터/고하중용 트러스트 테이퍼베어링 사용* 용도 : 각종 고하중 운반차 및 장비 /반도체 장비/각종 생산설비
재질 (Material) |
![]() | 번 호 | 품 명 | 재 질 | 표면처리 | ||||
1 | TOP PLATE 취부판 | SPHC & SM45C | 분체도장 | |||||
2 | FRAME 몸체 | SPHC | 분체도장 | |||||
3 | PIN 핀 | SW45C | Zn Galvanized(3+) 아연도금 | |||||
4 | WHEEL 바퀴 | MC NYLON | COLOR : IVORY 아이보리색 | |||||
| Polyurethane | NATURAL COLOR | |||||||
- 이전글WXT-150 22.01.05













