WPHS-100SF-NYB
페이지 정보

본문
제원 (Specification)
* 사용온도(Temperature range) : -10 ~ 90℃
![]() | ![]() |
|
| ![]() |
|
|
|
| ||
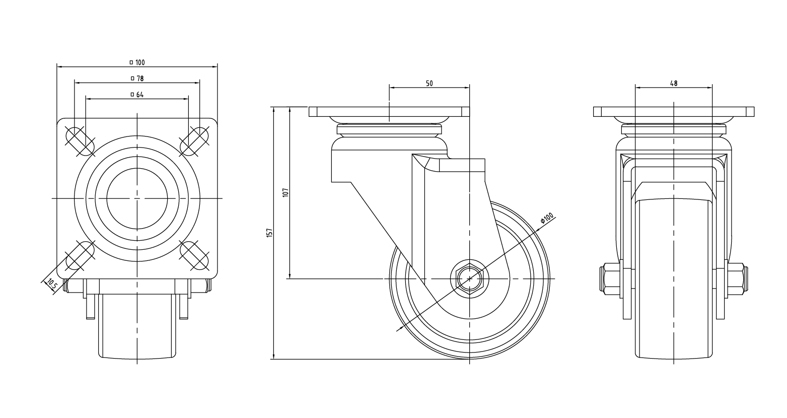
MODEL | 허용하중 1EA | 추천하중 | 바퀴외경 | 바퀴폭 | 높이 | 센터거리 | 상판사이즈 | 홀 간격 | 홀 사이즈 | 자중 |
| WPHS-100SF | 600Kg | 1,800Kg | Ø100 | 48 | 157 | 50 | 100*100 | 78*78 64*64 | Ø10.5 | 2.3Kg |
* 용도 : 고하중 장비 / 통신장비 / 반도체장비 / 각종 기계장비
* 특징 : 저소음.저마찰 중.고하중 캐스터 / 이동과 고정이 용이함
재질 (Material) |
| 번 호 | 품 명 | 재 질 | 표면처리 | ||||
1 | TOP PLATE 취부판 | SPHC | 분체도장 (BLACK) | |||||
2 | FRAME 몸체 | SPHC | ||||||
3 | PIN 핀 | SM45C | Zn Galvanized(3+) 아연도금 | |||||
4 | WHEEL 바퀴 | MC NYLON | COLOR : IVORY 아이보리색 | |||||
| NYLON-6 | COLOR : BLACK 검정색 | |||||||
| Polyurethane | NATURAL COLOR | |||||||
- 이전글WPHS-75SF-MD 22.06.27
- 다음글WPHS-75SF-NYB 22.01.03











