WHM-125SF-UD
페이지 정보

본문
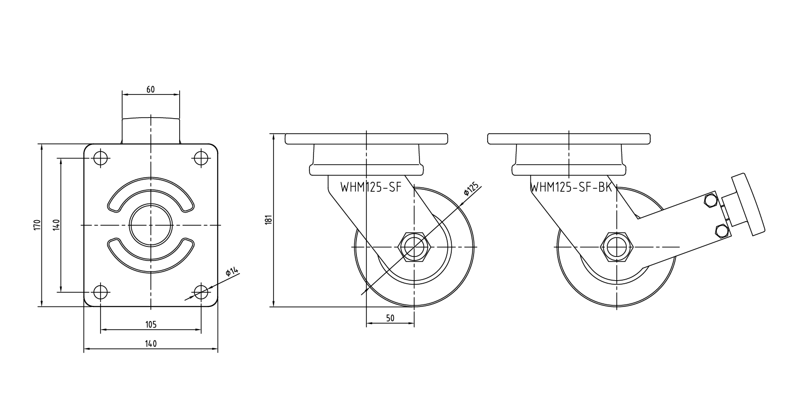
제원 (Specification)
* 사용온도(Temperature range) : -10 ~ 90℃
|
|
|
|
|
|
|
| ||
허용하중 1EA | 추천하중 | 바퀴외경 | 바퀴폭 | 높이 | 센터거리 | 센터거리 | 상판사이즈 | 홀사이즈 | 자중 |
1,000Kg | 3,000Kg | Ø125 | 60 | 118.5 | 50 | 170x140 | 140x105 | Ø14 | 7.9Kg |
* 특징 : 저소음.저마찰 고하중 캐스터
* 용도 : 고하중 장비 / 각종 생산설비 / 각종 고하중 운반차
재질 (Material) |
| 번 호 | 품 명 | 재 질 | 표면처리 | ||||
1 | TOP PLATE 취부판 | SPHC & SM45C | Zn Galvanized (3+) 아연도금 | |||||
2 | FRAME 몸체 | SPHC | Zn Galvanized (3+) 아연도금 | |||||
3 | PIN 핀 | SWCH10C | Zn Galvanized (3+) 아연도금 | |||||
| 4 | WHEEL 바퀴 | MC NYLON | COLOR : IVORY 아이보리색 | |||||
| Polyurethane | NATURAL COLOR | |||||||











